Ewmar-Ness wentylator nadmuchowy RV-14R z klapką
- Wentylatory RV-14 przeznaczone są do nadmuchiwania powietrza w kotłach C.O. oraz innych urządzeniach technologicznych w temperaturze otoczenia od -15°C do +40°C i wilgotności względnej do 95%. Podstawowe zastosowanie piece miałowe do 35 kW, piece węglowe.
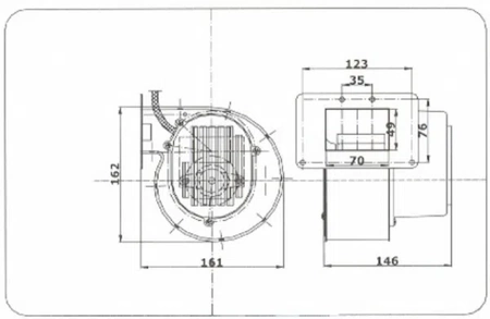
Obudowa wentylatora wykonana jest z blachy stalowej pokrytej lakierem proszkowym. Silnik umieszczony na zewnątrz obudowy, przykręcony wkrętami M4, zabezpieczony jest osłoną wykonaną z tworzywa. Osłona stanowi zabezpieczenie przed dotknięciem części pod napięciem. Metalowy wirnik wentylatora mocowany jest bezpośrednio na wałku silnika. Kołnierz ssący wentylatora zabezpieczony jest osłoną uniemożliwiającą dotknięcie palcem części ruchomych /turbiny/. Silnik wentylatora wykonany w klasie izolacji H może pracować z napięciowym regulatorem prędkości obrotowej. Sterowniki muszą być przystosowane do pracy z obciążeniem indukcyjnym. Wentylator posiada deklarację zgodności CE. Wentylatory typu RV-14 przeznaczone są do nadmuchiwania powietrza w kotłach C.O. oraz innych urządzeniach technologicznych w temperaturze otoczenia od -15°C do +40°C i wilgotności względnej do 95%. Wentylator nie jest przeznaczony do pracy jako samodzielny przyrząd do użytku domowego lub podobnego. Podstawowe zastosowanie – piece miałowe do 35 kW, piece węglowe.
Parametry techniczne:
| Rodzaj silnika napędowego: | Indukcyjny zwartobiegunowy |
| Napięcie znamionowe: | 230 V |
| Częstotliwość znamionowa: | 50 Hz |
| Moc pobierania: | 60 W |
| Prąd znamionowy: | 0,4 A |
| Max. wydajność: | 200 m3/h |
| Max. spiętrzenie: | 240 Pa |
| Obroty przy max. wydajności: | 1800 obr/min |
| Obroty przy max. spiętrzeniu: |
2800 obr/min
|
| Rodzaj pracy: | S1 |
| Położenie pracy: | dowolne |
| Stopień ochrony: | IP 20 |
| Izolacja podstawowa: | Klasa H |
| Zabezpieczenie przed nienormalnym użytkowaniem: | zabezpieczenie impedancyjne |
| Poziom mocy akustycznej: | 62 dB(A) |
| Masa: | 2,4 kg |
| Minimalne napięcie zasilania: |
100 V
|




