Diamond trójnik PEX-AL-PEX 20x20x16mm zaprasowywany mosiądz FZZ-009.20X20X16.T-3
Kod producenta
5907547667916
Kod produktu
FZZ-009.20X20X16.T-3
- Złączki mosiężne zaprasowywane do systemu PEX przeznaczone do instalacji wodociągowej i centralnego ogrzewania w budynkach. Występują w postaci: łączników, kolan, trójników. Do zaprasowywania złączek FZZ DIAMOND należy używać szczęk typu „U”.
Złączki mosiężne zaprasowywane do systemu PEX z powłoką chromową TYP: FZZ przeznaczone do instalacji wodociągowej i centralnego ogrzewania w budynkach. Kształtki wyposażone w gwinty typu G i tuleje zaciskową do rury PEX.
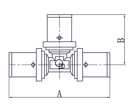
Dane techniczne:
- Maksymalne ciśnienie robocze: do 10 bar
- Maksymalna temperatura robocza: do 90st.C
- Wymiary rur (dn x en): 16x2; 20x2
- Wymiar A: 74mm
- Wymiar B: 36,6mm
Marka
Kod produktu
FZZ-009.20X20X16.T-3
Kod producenta
5907547667916
Parametry bezpieczeństwa
Parametry bezpieczeństwa
Zapytaj o produkt
Napisz swoją opinię





