Diamond redukcja chrom 15/10 RR.511.RED.10-15.CH
Kod producenta
5907547622137
Kod produktu
RR.511.RED.10-15.CH
- Złączki mosiężne z powłoką chromową. Typ: RR przeznaczone do instalacji wodociągowej i centralnego ogrzewania w budynkach. Kształtki wyposażone w gwinty typu G.
Złączki mosiężne z powłoką chromową. Typ: RR przeznaczone do instalacji wodociągowej i centralnego ogrzewania w budynkach. Kształtki wyposazone w gwinty typu G. Występują w postaci: kolanek, trójników, muf, przedłużek, redukcji, nypli, korków i zaślepek.
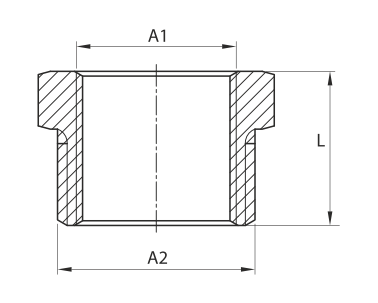
Dane techniczne:
- Klasyfikacja wyrobu w zakresie reakcji na ogień: KLASA A1
- Temperatura robocza produktu: do 120 stopni Celsjusza
- Dopuszczalne ciśnienie robocze: do 10 Bar
- systemy oceny zgodności wyrobu budowlanego: S3 i S4
- Wymiar A1/A2: G 3/8 x G 1/2 B
- Wymiar L: 15,5
Marka
Kod produktu
RR.511.RED.10-15.CH
Kod producenta
5907547622137
Stan
Nowy
Marka
inna
Rodzaj rury
inny
Waga produktu z opakowaniem jednostkowym
0.1
Kod producenta
REDGW-GZ 1/2X3/8
Parametry bezpieczeństwa
Parametry bezpieczeństwa
Zapytaj o produkt
Napisz swoją opinię





