Diamond kolano naścienne PEX-AL-PEX gwint wewnętrzny 20x1/2" FTN-010.1/2x20.KOL-Ł
Kod producenta
5907547618321
Kod produktu
FTN-010.1/2X20.KOL-Ł
- Złączki mosiężne zaciskane do systemu PEX z powłoką chromową TYP: FTN przeznaczone do instalacji wodociągowej i centralnego ogrzewania w budynkach. Kształtki wyposażone w gwinty typu G i zacisk do rury PEX.
Złączki mosiężne zaciskane do systemu PEX z powłoką chromową TYP: FTN przeznaczone do instalacji wodociągowej i centralnego ogrzewania w budynkach. Kształtki wyposażone w gwinty typu G i zacisk do rury PEX.
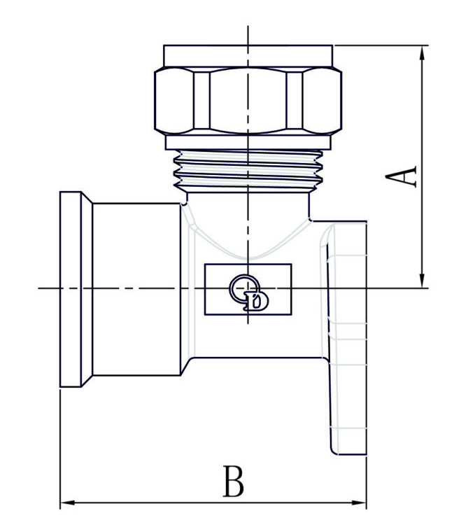
Dane techniczne:
- Maksymalne ciśnienie robocze: do 10 bar
- Maksymalna temperatura robocza: do 90st.C
- Wymiary rur (dn x en): 20x2
- Gwinty: G 1/2
- Wymiar A: 37,5mm
- Wymiar B: 42,7mm
Marka
Kod produktu
FTN-010.1/2X20.KOL-Ł
Kod producenta
5907547618321
Parametry bezpieczeństwa
Parametry bezpieczeństwa
Zapytaj o produkt
Napisz swoją opinię










