W promocji
Calido zawór zwrotny Klepsan 3/4" CA/ZZC-20
Kod producenta
CA/ZZC-20
Kod produktu
27696620
- Zawór zwrotny seria Klepsan to niezawodny i trwały komponent zaprojektowany do jednokierunkowego przepływu medium w instalacjach hydraulicznych. Wykonany z wysokiej jakości materiałów, zawór oferuje długą żywotność i odporność na korozję.
Zawory zwrotne, grzybkowe marki Calido seria KLEPSAN przeznaczone są do montażu w instalacjach dystrybucji wody pitnej, ciepłej wody użytkowej, centralnego ogrzewania i ogrzewania podłogowego. Ich zadaniem jest zapobieganie przepływom zwrotnym wody w systemach dystrybucji wody. Zawory zwrotne mogą być montowane w pozycji poziomej i pionowej, zawsze strzałką w kierunku przepływu czynnika.
Dane techniczne:
- temperatura pracy: od -10oC (bez zamarzania) do 90oC
- ciśnienie nominalne: PN25
- rozmiar: GW 3/4"
Materiał wykonania:
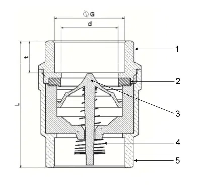
- korpus i półkorpus (1 i 5): Mosiądz CW612N
- pierścień uszczelniający (2): EPDM - VITON
- grzyb zaworu (3): Derlin
- sprężyna (4): stal nierdzewna
Wymiary (mm):
- G = 20
- d = 20
- L = 57
- t = 14
Marka
Kod produktu
27696620
Kod producenta
CA/ZZC-20
Stan
Nowy
Marka
Calido
Średnica przyłącza
3/4''
Rodzaj
zwrotny
Waga produktu z opakowaniem jednostkowym
0.1
Parametry bezpieczeństwa
Parametry bezpieczeństwa
Zapytaj o produkt
Napisz swoją opinię




