Darmowa dostawa od 50,00 zł
Zapisz na liście zakupowej
Stwórz nową listę zakupową
Ariston moduł strefowy MGM II EVO 3318624
Ariston moduł strefowy MGM II EVO 3318624
Ariston moduł strefowy MGM II EVO 3318624
Ariston moduł strefowy MGM II EVO 3318624
Ariston moduł strefowy MGM II EVO 3318624
W promocji

Ariston moduł strefowy MGM II EVO 3318624

Kod producenta
5414849284807
Kod produktu
3318624
Rozmiar
4 900,00 złNajniższa cena z 30 dni przed obniżką
4 410,00 zł
brutto / szt.
Cena regularna: 3 983,74 zł
3 585,37 zł
netto / szt.
Najniższa cena produktu w okresie 30 dni przed wprowadzeniem obniżki: 3 983,74 zł
Szybkie zakupy 1-Click(bez rejestracji)
Produkt niedostępnyProdukt niedostępny
Ten produkt nie jest dostępny w sklepie stacjonarnym
Odroczone płatności. Kup teraz, zapłać za 30 dni, jeżeli nie zwrócisz

Kup teraz, zapłać później - 4 kroki

Przy wyborze formy płatności, wybierz PayPo.PayPo - kup teraz, zapłać za 30 dni
PayPo opłaci twój rachunek w sklepie.
Na stronie PayPo sprawdź swoje dane i podaj pesel.
Po otrzymaniu zakupów decydujesz co ci pasuje, a co nie. Możesz zwrócić część albo całość zamówienia - wtedy zmniejszy się też kwota do zapłaty PayPo.
W ciągu 30 dni od zakupu płacisz PayPo za swoje zakupy bez żadnych dodatkowych kosztów. Jeśli chcesz, rozkładasz swoją płatność na raty.

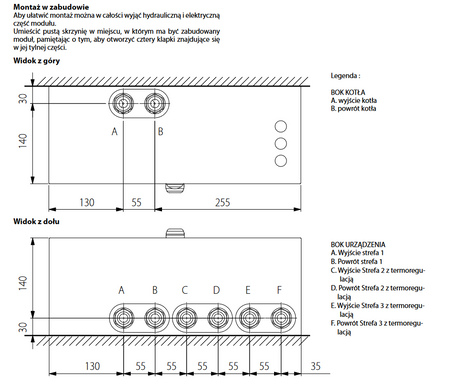
Moduły MGm II Evo to wielotemperaturowy moduł hydrauliczny z jednym 3-drogowym zaworem mieszającym ze sterowaniem elektrycznym, umożliwiającym modulowanie temperatury sterowanego obwodu, oraz z pompami modulującymi niskiego ciśnienia. Sterowane są maksymalnie dwa obwody, w tym jeden bezpośrednio (bez zaworu mieszającego). Moduły wielotemperaturowe zostały zaprojektowane do instalacji hydraulicznych niezależnych od kotła.

Cechy produktu:

  • przygotowany do pracy w zintegrowanych systemach dzięki nowemu protokołowi komunikacji bus BRIDGNET
  • pompa z pełną modulacją elektryczną
  • optymalizacja pracy kotła
  • redukcja zużycia energii połączona z cichą pracą
  • moduły pozwalają zrealizować i sterować w łatwy i wydajny sposób instalacjami C.O., które wymagają dużych przepływów wody w obiegu ogrzewania
  • klasa energetyczna C

Dane techniczne:

  • Ciśnienie robocze obwodów grzewczych: 0,5-3bar
  • Maksymalna temperatura robocza obwodów grzewczych: 85oC
  • Maksymalna temperatura działania układu ogrzewania w podłodze: 45oC
  • Napięcie: 230V
  • Częstotliwość zasilania: 50Hz
  • Znamionowy pobór mocy elektrycznej: 116W
  • Minimalna moc elektryczna zużywana: 30W
  • Zawartość wody w module: 2l
  • Ciężar pustego modułu: 20kg
  • Podłączenie hydrauliczne: 3/4"
  • Długość: 440mm
  • Wysokość: 700mm
  • Głębokość: 170mm
Marka
Kod produktu
3318624
Kod producenta
5414849284807
Parametry bezpieczeństwa
Parametry bezpieczeństwa
Potrzebujesz pomocy? Masz pytania?Zadaj pytanie a my odpowiemy niezwłocznie, najciekawsze pytania i odpowiedzi publikując dla innych.
Zapytaj o produkt
Jeżeli powyższy opis jest dla Ciebie niewystarczający, prześlij nam swoje pytanie odnośnie tego produktu. Postaramy się odpowiedzieć tak szybko jak tylko będzie to możliwe. Dane są przetwarzane zgodnie z polityką prywatności. Przesyłając je, akceptujesz jej postanowienia.
Napisz swoją opinię
Twoja ocena:
5/5
:
Prawdziwe opinie klientów
4.9 / 5.0 1059 opinii
pixel